關於我們
公司簡介
歷史沿革
經營理念
我們的榮譽
未來願景
成功案例
服務項目
產品介紹
台銀共契產品
促銷產品、專案產品、系統整合產品
技術通報
友好連結
聯絡我們
客服專線 02-2627-2929
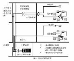
系統整合產品/網路佈線工程
網路佈線工程
依照標準施工佈線流程, 不偷工, 不偷料, 保證施工與服務品質兼具
案號: 編號:
立洋網路專案價:$0
產品特色
產品規格
列印此頁